UNIDAD HIDRÁULICA SERIE NSPi

Ahorro Energético Inteligente con Tecnología de Inversor Integrado

La Serie NSPi de NACHI representa la evolución de las unidades hidráulicas compactas con control por inversor. Diseñada para maximizar la eficiencia y reducir el consumo energético hasta en 69 %, esta unidad ofrece un desempeño silencioso, estable y confiable para aplicaciones industriales continuas.

Su estructura mantiene las mismas dimensiones y puntos de conexión que las unidades NSP estándar, lo que permite una sustitución directa sin rediseño de maquinaria. Gracias a su bomba variable de alta eficiencia y al inversor incorporado, la Serie NSPi optimiza automáticamente el flujo y la presión, reduciendo el calor, el ruido y las emisiones de CO₂ en cada ciclo de trabajo.

Ficha Técnica
Valvulas de control de Presion Serie CFR NACHI

Unidades Hidráulicas - Serie NSPi


Serie NSP NACHI

NSP-10E-15*V-*A*-*-21

Capacidad de Tanque: 10L

Cap. motor eléctrico:

1.5 kW

Serie NSP NACHI

NSP-10E-22*V-*A*-*-21

Capacidad de Tanque: 10L

Cap. motor eléctrico:

1.5 kW

Serie NSP NACHI

NSP-20E-15*V-*A*-*-21

Capacidad de Tanque: 20L

Cap. motor eléctrico:

2.2 kW

Serie NSP NACHI

NSP-20E-22*V-*A*-*-21

Capacidad de Tanque: 20L

Cap. motor eléctrico:

2.2 kW

Características Técnicas y Beneficios Operativos

Soluciones hidráulicas diseñadas a la medida, combinando precisión japonesa y fabricación mexicana.

La NSPi integra en un solo cuerpo un motor eficiente, una bomba de caudal variable y un inversor digital, logrando un control hidráulico preciso y adaptable. Su operación silenciosa (53 dB(A)) y su bajo aumento de temperatura del aceite (solo 1.5 °C sobre ambiente) mejoran las condiciones de trabajo y prolongan la vida útil del fluido y los sellos.

Su diseño compacto y modular permite una fácil instalación incluso en sistemas existentes, manteniendo un rendimiento constante y reduciendo los costos de mantenimiento. La unidad cuenta además con arranque inmediato, monitoreo simplificado y protección frente a fallas del inversor, garantizando la continuidad de la línea de producción.

Características principales:

  • Reducción de consumo eléctrico hasta 69%.
  • Nivel de ruido ultrabajo (53 dB(A)).
  • Incremento mínimo de temperatura del aceite (≈1.5 °C).
  • Disponible en capacidades de 10 y 20 litros con presión ajustable de 1.5 a 8.0 MPa.
  • Operación continua y confiable, incluso ante fallas del inversor.
  • Reducción de emisiones de CO₂ hasta en 42%.
  • Vida útil extendida del aceite hidráulico y sellos.
  • Instalación directa sin rediseño de la máquina.

La Unidad Hidráulica Serie NSPi NACHI, distribuida por CESEHSA, combina innovación tecnológica con sostenibilidad. Su eficiencia energética, bajo ruido y facilidad de instalación la convierten en una solución de nueva generación para sistemas hidráulicos compactos y de alto rendimiento.

Características de Unidades Hidráulicas Personalizadas CESEHSA
Características de Unidades Hidráulicas Personalizadas CESEHSA

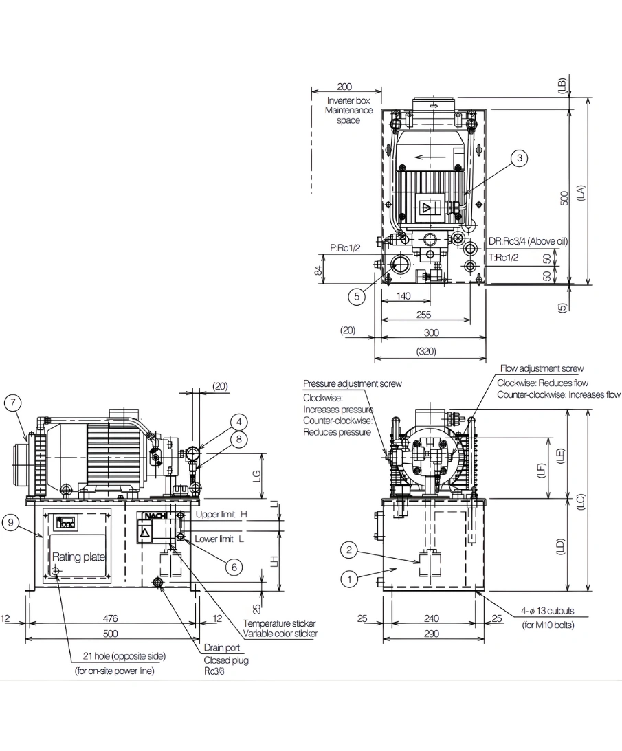
Dimensiones y Especificaciones Generales

Las unidades hidráulicas Serie NSPi NACHI mantienen las mismas dimensiones y puntos de montaje que las unidades NSP estándar, lo que permite su reemplazo directo sin modificar la maquinaria ni la instalación existente. Su diseño compacto y la integración del inversor dentro del cuerpo principal facilitan el mantenimiento y reducen el espacio ocupado.

Especificaciones técnicas principales:

  • Suministro eléctrico: 3Φ AC200-240V / 380-480V (50/60 Hz)
  • Potencia del motor: 1.5 kW o 2.2 kW
  • Rango de presión: A2: 1.5-4.0 MPa · A3: 3.5-6.0 MPa · A4: 5.5-8.0 MPa
  • Flujo de salida (sin carga): 14 L/min (1.5 kW) · 28 L/min (2.2 kW)
  • Fluido hidráulico: Aceite mineral ISO VG 32
  • Temperatura del fluido: hasta 60 °C
  • Temperatura ambiente: 0 - 35 °C (20-85 % RH, sin condensación)
  • Ruido operativo: 53 dB(A) a 6 MPa
  • Tanques disponibles: 10 L y 20 L (acero o resina)
  • Peso aproximado: 35-40 kg según modelo